-
Media gallery Media gallery
-
Media gallery Media gallery
-
Media gallery Media gallery
-
Media gallery Media gallery
-
Media gallery Media gallery
-
Media gallery Media gallery
-
Media gallery Media gallery
-
Media gallery Media gallery
Useful Machine Shop Tools to Make for Home Shop Machinists
- Regular price
- $14.99 USD
- Regular price
-
- Sale price
- $14.99 USD
- Unit price
- / per
Couldn't load pickup availability
Description
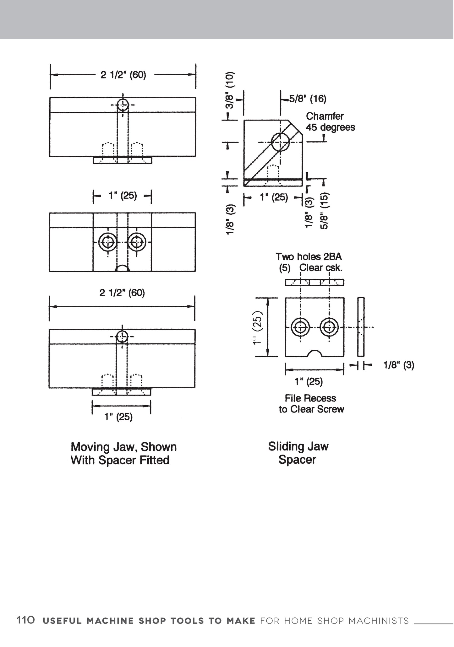
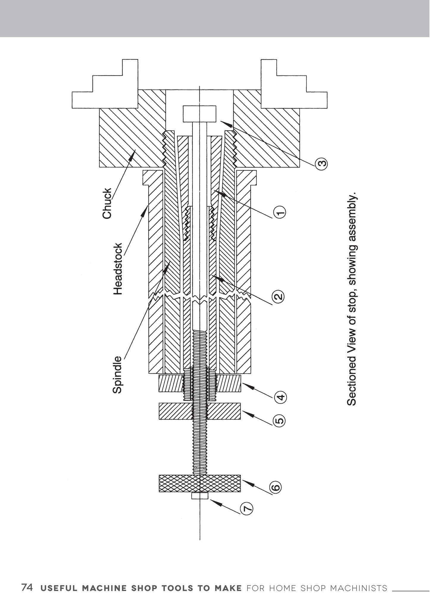
Instead of throwing odds and ends of bar and rod into the scrap box, why not turn them into useful tools to simplify and speed up future work? Make your home machine shop more versatile and efficient by creating your own dependable tools! In this book, model engineering expert Stan Bray provides complete plans for making 15 simple but useful additions to your workshop equipment. Each of these tools takes no more than 3-4 hours to make, and requires no special materials. Each project contains fully-dimensioned drawings, detailed instructions, and reference photographs for making marking-out and machining aids, a simple motorized filing machine, a micrometer stand, internal and external chuck stops, cross drilling jigs, a hand turning rest, rear mounted tool posts, a self-releasing mandrel handle, and more.
Details
Details
Pages | 112 |
---|---|
Publish Date | 2015-06-01 |
Series | |
Size | 8.3" x 5.8" x 0.315" |
Author | Stan Bray |
Product Form | Paperback / softback |








Notified by email when this product becomes available
PREVIEW
About the Author
You May Also Like
Be in the Know
Learn about the newest releases, online promotions, special events and more!
- Choosing a selection results in a full page refresh.